xER 0-10V Sensors Wiring

The TER10 0-10V Room Temperature sensors have been designed for measuring temperature accurately in modern buildings. The TER10 sensors can have additional PIR Occupancy sensor option. 
 
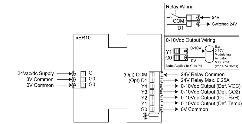
The sensors have 4 x 0-10Vdc outputs for transmitting the measurement signals to the BMS, or for local control signals. Optional 24V relay output availale e.g. for the PIR occupancy sensor status. The temperature measurement signal can be scaled to match the controller input ranges.
 
With LCD colour display option the sensor can be used to indicated measurements and status of the system. The measurement locations, descriptions, language etc. can be configured to suit the requirements. The sensors can operate as TRAFFIC LIGHT alarm units by changing the display colour based on the alarm limits for the temperature.
 
The TS colour touchscreen option converts the sensor to operate also as the Room Setpoint Unit sending the required setpoint using 0-10Vdc signal to the master controller/BMS. The sensor can also be used for Blinds Levels and Light Level control using the 0-10Vdc signals. The display can be locked from unauthorized use. 
 
The sensors also incorporate 2 x PI control loops that can be used e.g. to control heating and cooling.
 
The LCD and TS skin colours can be changed to suit the building decor. In addition the sensors are available in black and white. The sensors are mounted on the wall surface directly or to standard wall mounting boxes. 
 
The QER10 Modbus sensors can be configured using Windows Device Configuration Tool (connected wirelessly using Bluetooth) or from SmartConfig iOS app.
Technical
Measurements
  • Room Temperature
Optional Measurements
  • Movement / Occupancy (-OE Option)
Control Functions
  • 2 Independent PI Control Loops
  • Configurable for e.g. Heating and Cooling
Power Supply

24Vac/dc

Analogue Outputs 4 x Analogue 0-10Vdc Outputs, Max 2mA
Digital Outputs Optional 1 x 24V Relay Output (-RL Option) 
Country of Origin

United Kingdom

TER10 Room Temperature Sensor, 4AO (0-10V)

  • Product Code: MER10
  • SKU: 1200 0
  • Availability: Contact Us
  • £80.00


Available Options


Related Products

USB and Device Bluetooth Dongle Set

USB and Device Bluetooth Dongle Set

The BLE-TOOLSET is the Bluetooth Dongle pair that used used with the PC Device Configuration Tool so..

£130.00

USB to Serial Interface

USB to Serial Interface

The USB-SERIAL can be used for the configuration of the Senticon Devices with the PC Device Configur..

£54.00

Tags: temperature